Посібник з підсилювача потужності TDA7293
Підсилювач TDA7293-це одноразова інтегрована схема, ретельно розроблена для аудіо-до...
Oct 04
Погляди: 8946
74HC00
, відомий член сімейства IC Logic IC CMOS, інтегрує чотири ворота NAND в один пакет, використовуючи технологію кремнієвих воріт, щоб відповідати експлуатаційній швидкості LS-TTL з помітно нижчим споживанням електроенергії.Ця суміш швидкості та ефективності, доповнена його здатністю до зниження до десяти навантажень LS-TTL та внутрішнього діода-затискання для захисту електростатичного розряду, розміщує 74HC00 як універсальний і надійний компонент у дизайні цифрових ланцюгів.Ви можете оцінити його буферні результати для посиленого імунітету шуму та його сумісності з декількома стандартними еквівалентами галузі, що робить його наріжним каменем у створенні інноваційних та надійних цифрових систем.
74HC00
RENESAS
74HC00 ST SOP
In Stock: 6124 pcs

З
74HC00
, включення чотирьох воріт Нанд, відзначається своїм вирівнюванням із родиною LS-TTL.
74HC00
RENESAS
74HC00 ST SOP
In Stock: 6124 pcs
Використовуючи технологію CMOS кремнію, вона досягає оперативних швидкостей, схожих на LS-TTL, зберігаючи фокус на низькому споживанні електроенергії.Цей баланс дозволяє використати як швидкість, так і ефективність, вирощуючи конструкції, що резонують з винахідливістю.Буферизовані виходи воріт посилюють імунітет шуму, фактор, який сприяє стабільній продуктивності навіть у складних сигнальних середовищах.
Його здатність доїхати до десяти навантажень LS-TTL робить його придатним для систем, де потрібні численні виходи сигналу.
Оснащений внутрішнім затисканням діодів, він мінімізує ризики, пов'язані з електростатичним розрядом.Ця особливість підкреслює свою роль у розширенні довговічності компонента, тонко відображаючи мудрість у пошуку довгострокової надійності.
Заміни та еквіваленти:
•
CD4011
CD4011
I-CORE
701
In Stock: 25220 pcs
• MC54HC00AJD
• Sn54ls00
• SN74HCT00DTE4
•
74HCT00
74HCT00
TI
74HCT00 ST SOP14
In Stock: 2870 pcs

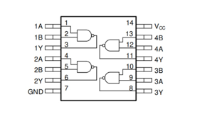
• шпильки 1, 2, 4, 5, 9, 10, 12, 13: Введення даних
Ці шпильки створені для отримання вхідних сигналів, що керують логічними операціями воріт Нанд всередині мікросхеми.Забезпечення цих входів не вільний від перешкод, що підтримують надійну поведінку схеми, відображаючи для контролю та передбачуваності.
• Штифти 3, 6, 8, 11: результати даних
Ці шпильки, що діють як результати, передають результати обчислень NAND Gate.Вони можуть бути використані в різноманітних цифрових логічних конструкціях, поєднуючи складні логічні моделі.Коли декілька ланцюгів підключені до одного виходу, потенційні ефекти завантаження натякають на делікатний баланс, необхідний у складних відносинах.
• PIN 7: Земля (GND)
Цей штифт підключається до системного землю, щоб забезпечити постійну орієнтир для напруг.Встановлення такого стабільного з'єднання узгоджується з природним прагненням до заземлення та ясності, мінімізуючи порушення.
• PIN 14: Позитивне джерело живлення (VCC)
Годування правильної напруги через цей PIN -код підтримує продуктивність пристрою.Підтримка в межах визначеного діапазону підвищує довговічність та ефективність, розміщення конденсаторів роз'єднання поблизу потужних шпильок може суттєво стабілізувати операцію, дзеркальні стратегії управління життєвими складностями.
74HC00
розроблений з чотирма незалежними воротом NAND, які зосереджуються на енергоефективності, залучаючи вас надійними показниками в цифрових схемах.Його вражаючий шум імунітет сприяє стабільним додаткам, які багато хто вважає привабливим для проектів, що пріоритетно відповідають послідовності.Доступний у форматах DIP та SOIC, він відповідає різноманітним вимогам дизайну та пропонує гнучкі варіанти макета PCB.
74HC00
RENESAS
74HC00 ST SOP
In Stock: 6124 pcs
Пристосованість 74HC00 дозволяє йому вписатись у широкий спектр логічних конфігурацій та хитромудрих систем.Ви можете оцінити його надійну здатність до введення/виводу, вважаючи це корисним для розробки складних цифрових функцій.
Його здатність працювати в різних умовах робить 74HC00 популярним в освіті та розвитку прототипу.Легкість, з якою вона адаптується до збільшення складності схеми, надихає вас вивчити нові інновації, не жертвуючи ефективністю.
Texas Instruments заслужив репутацію своєї відданості створенню надійних та новаторських напівпровідникових продуктів.З їх непохитною орієнтацією на довговічність та чудову ефективність, компоненти Texas Instruments опиняються в основі численних додатків, демонструючи свою ефективну роль у галузі електроніки.
Вимірювання 8,65 мм х 3,91 мм х 1,58 мм,
74HC00
може похвалитися гладким дизайном, призначеним для компактних умов.Ці розміри спрощують інтеграцію в різноманітні схеми плати, що дозволяє вам максимально використати обмежений простір, не порушуючи чудові можливості пристрою.
74HC00
RENESAS
74HC00 ST SOP
In Stock: 6124 pcs
Напруга живлення триває від 2 В до 6 В, пропонуючи пристосованість у виборі джерел живлення та забезпеченні сумісності з широким спектром цифрових схем.Цей діапазон напруги підтримує універсальні програми, що дозволяє 74HC00 вміло налаштуватись на зміну потреб у динамічних умовах.
Ефективно працюючи між -40 ° C і 85 ° C, пристрій призначений для процвітання в різних кліматах та промислових умовах.Його опір проти температурних крайнощів робить його кращим вибором для побутової електроніки та промислових застосувань, де мінливість навколишнього середовища є даною.
Пропонуючи затримку розповсюдження 23 наносекунд, 74HC00 перевершує ефективність обробки, необхідні для високошвидкісних логічних функцій.Ця швидка продуктивність є вигідною для таких додатків, як цифрові системи контролю сигналів та комунікаційні системи, де швидкий обмін даними є необхідністю.
Пристрій включає 4 ворота для операцій NAND, що забезпечує значну функціональність для складних логічних конструкцій.Ця конфігурація виявляється вигідною, коли логічні операції необхідні для виконання ефективно, забезпечуючи швидку та надійну обробку в системах.
Функціонування як логічна ворота, 74HC00 служить основним компонентом у створенні цифрових ланцюгів.Ви можете використовувати ці елементи для побудови складних цифрових систем, тим самим покращуючи обчислювальну потужність та просування можливостей обробки інноваційними способами.
74HC00
інтегрує чотири окремі ворота NAND, кожен з яких має два входи, що ведуть до одного виходу.Операція залежить від детальної таблиці правди.Зокрема, вихід знижується до низького, лише якщо обидва входи високі.В іншому випадку вихід залишається високим - основний елемент цифрової логічної конструкції, що діє як основна компонент у створенні більш складних схем.
74HC00
RENESAS
74HC00 ST SOP
In Stock: 6124 pcs
Позитивний зворотний зв'язок тонко впливає на стабільність у цих воріт.Коли кожна ворота обробляє свої входи, зворотній зв'язок служить для посилення стабільного стану виходу, що сприяє постійній продуктивності.Ця рівновага досягається шляхом гармонізації реакцій затвора з вхідними значеннями.Ви можете скористатися цим аспектом, щоб підробити схеми вимогливих логічних станів, розкриваючи шар забезпеченої передбачуваності.
Схоплення тонкощів динаміки введення-виводу в межах Gates посилює потенціал для спрощених конструкцій ланцюга.Загальні програми включають побудову шльопанок та виконання логічних завдань, таких як і, а не операції.Ця універсальність підкреслює їх прийняття в спектрі контекстів, від прямолінійних механізмів управління до складних обчислювальних рамок.
Розмірковуючи про більш широку корисність 74HC00, його надійна продуктивність вважає актуальністю у полях, що охоплюють споживчу електроніку до промислової автоматизації.Сила організувати ці ворота в різних логічних рамках надає значну творчу свободу, заохочуючи інновації.Основні принципи Гейтс надихають на спеціальні рішення для унікальних технологічних перешкод.
74HC00
-це чотириразовий двомісний ворота NAND, розроблений з вишуканою точністю.Це втілює гармонійне поєднання практичності та технологічної витонченості.
74HC00
RENESAS
74HC00 ST SOP
In Stock: 6124 pcs
• працює на широкому діапазоні напруги
• Відображає швидку затримку розповсюдження
• Підходить для високошвидкісних та низьких потужних операцій
• Напруга та струм: Цей компонент функціонує над широтою рівня напруги, що відповідає різноманітності потреб дизайну.
• Діапазон температури: надійно виконує різні настройки температури, що дозволяє пристосовано до різних умов навколишнього середовища.
• Загальне використання: універсальний компонент, він знаходить місце в безлічі цифрових схем, виконуючи потреби, починаючи від повсякденних завдань до складних додатків з благодаттю.
• Конкретні реалізації: від побутової електроніки до промислових механізмів 74HC00 легко інтегрується, виявляючи його корисність у кожній програмі.
Чіп
74HC00
демонструє неабияку пристосованість, часто з'являючись у різноманітних електронних контекстах завдяки широкому спектру функціональних можливостей.
74HC00
RENESAS
74HC00 ST SOP
In Stock: 6124 pcs
74HC00 Adeptly функціонує як буфер або драйвер, що сприяє безшовному зв’язку через схеми.Мінімізуючи краплі напруги та зменшення деградації сигналу, він встановлює послідовне спілкування між компонентами.У практичній електроніці, що використовує 74HC00 в якості буфера, може посилити здатність мікроконтролера активувати кілька світлодіодів або реле модулів, що є частиною особливістю у проектах самостійних робіт.
Цей чіп дозволяє логічні операції, такі як Nand Gates, утворюючи ядро складних систем.Його легка інтеграція в різні логічні схеми підкреслює її зручність.У цифровому дизайні використання NAND Gates дає змогу побудувати складні логічні схеми з меншою кількістю компонентів, підвищуючи як доступність, так і компактність.
У вбудованих системах 74HC00 впорядковує виконання завдань, вбудовуючи логічні функції в ініціативи мікроконтролера.
Численні пристрої IoT використовують цей чіп для виконання умовних перевірок та управління периферійними пристроями, підвищення чутливості та надійності системи.
74HC00 виконує ефективну роль у перетворенні рівня, регулюючи рівні сигналу між різним ланцюгом.Це сприяє плавному взаємозв'язку компонентів із різними показниками напруги.У ситуаціях змішаної напруги, таких як зв’язок мікроконтролера 5В з датчиком 3,3 В, 74HC00 безперешкодно поєднує розрив, забезпечуючи точний обмін даними.
Чіп також має в ланцюгах часу та управління, що сприяє ретельній координації послідовних логічних завдань, вдосконалення таких програм, як ланцюги ліній затримки та генерація імпульсу.Обробка схем часу з 74HC00 підвищує точність у таких завданнях, як синхронні системи зв'язку, захищаючи вірність даних за допомогою ретельного управління часом.
74HC00 функціонує як цифровий компаратор для бінарних порівнянь, ідеально підходить для прийняття рішень у цифрових рамках.Він розрізняє рівність або різницю між бінарними фігурами.Використання 74HC00 для бінарного порівняння забезпечує ефективний шлях для впровадження розгалужених рішень у різноманітних цифрових протоколах, посилюючи продуктивність системи в діяльності.
74HC00 включає чотири незалежні 2-вхідні ворота NAND, що працюють в діапазоні потужності від 2,0 В до 6,0 В.Обслуговуючи цифрові логічні системи, це дозволяє утворити логічні операції, які утворюють основу складних цифрових архітектур.
74LS00 включає набір з чотирьох воріт NAND, кожен з яких розроблений з двома входами та єдиним виходом.Ця конфігурація є загальним вибором при розробці одиниць у цифровій електроніці.
Основна відмінність - їх адаптованість їх напруги.74HC00 працює в межах діапазону від 2 до 6 В, тоді як 74LS00 обмежений на джерело живлення 5В.Вибір часто залежить від варіацій потреб застосування та факторів навколишнього середовища.
Серія 74HC має високошвидкісні інтегральні схеми CMOS, що пропонує швидкість, сумісну з TTL, зі зниженим споживанням електроенергії.Їх сумісність з PIN -розкладами штифтів серії 74LS дозволяє легко інтегрувати та замінити в існуючих схемах.
У цифрових схемах 74HC00 є інструментальним, де логічні ворота NAND необхідні для інверсії сигналу та виконання складних логічних дій.Його пристосованість робить його цінним надбанням у навчальних контекстах та професійних електронних підприємствах.
Oct 04
Погляди: 8946
Nov 11
Погляди: 6346
Apr 16
Погляди: 451
Apr 16
Погляди: 407
Apr 16
Погляди: 347
Apr 16
Погляди: 367
Apr 15
Погляди: 491
Apr 15
Погляди: 456